應急管理部:未組織應急預案演練最高可罰10萬元,近日又有多家企業被罰!
近日上海一企業因為未定期開展演練被罰
據上海應急管理部網站消息,上海應急管理部近日公布的關于對上海新紡聯汽車內飾有限公司(以下簡稱新紡聯)安全生產綜合類違法行政處罰信息顯示,新紡聯存在以下問題:1、企業未制定有限空間作業應急預案、未定期開展演練;2、企業未配備應急裝備和器材。
以上行為違反了《工貿企業有限空間作業安全管理與監督暫行規定》第二十一條。上海應急管理部依據《工貿企業有限空間作業安全管理與監督暫行規定》第二十九條第(二)項對其處罰款人民幣三萬圓整。
《工貿企業有限空間作業安全管理與監督暫行規定》第二十九條:工貿企業有下列情形之一的,由縣級以上安全生產監督管理部門責令限期改正,可以處5萬元以下的罰款;逾期未改正的,責令停產停業整頓,并處5萬元以上10萬元以下的罰款,對其直接負責的主管人員和其他直接責任人員處1萬元以上2萬元以下的罰款:(一)未按照本規定對有限空間的現場負責人、監護人員、作業人員和應急救援人員進行安全培訓的;(二)未按照本規定對有限空間作業制定應急預案,或者定期進行演練的。

已有多家企業被罰
山東:
淄博市博山盛潤油泵廠、淄博市博山奎峰機械廠、山東富源履帶機械有限公司、淄博市博山石馬中心加油站因未按照規定定期組織應急預案演練,分別被處以罰款1萬元、4.6萬元、1萬元、2.5萬元。
湖南:
長沙市開福區瀏陽河街道在檢查過程中,執法人員發現一教育印刷廠未開展應急救援演練,執法人員依據《安全生產法》第九十四條第六項“未按照規定制定生產安全事故應急救援預案或者未定期組織演練的”的相關規定,給予以上2家企業現金處罰,要求限期整改,完善應急救援預案,定期開展應急救援演練。
廈門:
2019年9月25日,廈門市應急管理局執法人員在對廈門某制造有限公司進行監督檢查時,發現該公司2019年未按規定組織應急預案演練。經調查取證,廈門市應急管理局查明該公司2019年上半年未組織現場處置方案的演練,該行為違反《生產安全事故應急預案管理辦法》,依照《生產安全事故應急預案管理辦法》《中華人民共和國安全生產法》有關規定,責令該公司限期改正,并處1.5萬元罰款的行政處罰。
蘇州:
蘇州市吳江區安全生產監督管理局執法人員在對蘇州金震紡織有限公司執法檢查時發現該單位存在下列問題:未按照《工貿企業有限空間作業安全管理與監督暫行規定》對有限空間定期進行演練。蘇州金震紡織有限公司違反《工貿企業有限空間作業安全管理與監督暫行規定》第二十一條的規定,依據《工貿企業有限空間作業安全管理與監督暫行規定》第二十九條第(二)項給予人民幣10000元的行政處罰。
深圳:
依照《生產安全事故應急預案管理辦法》第四十四條,生產經營單位有下列情形之一的,由縣級以上人民政府應急管理等部門依照《中華人民共和國安全生產法》第九十四條的規定,責令限期改正,可以處5萬元以下罰款;逾期未改正的,責令停產停業整頓,并處5萬元以上10萬元以下的罰款,對直接負責的主管人員和其他直接責任人員處1萬元以上2萬元以下的罰款:(一)未按照規定編制應急預案的;(二)未按照規定定期組織應急預案演練的。
江蘇省發布生產安全事故應急預案管理辦法實施細則
第四條生產經營單位依據《生產經營單位生產安全事故應急預案編制導則》(GB/T29639-2013)組織開展應急預案編制工作。生產經營單位主要負責人負責組織實施,對應急預案的真實性、實用性負責。
第六條應急預案評審應當包括有關安全生產及應急管理方面的專家不少于3人,采取會議形式,形成書面評審意見。應急預案論證由生產經營單位組織本單位相關負責人、安全管理人員、專業技術人員和員工等參加,必要時可聘請安全生產和應急管理方面的專家參與,形成論證結論。
第八條應當在應急預案公布之日起20個工作日內,按照分級原則和隸屬關系,向縣級以上應急管理部門和其他負有安全生產監督管理職責的部門備案,并依法向社會公布。
第十二條生產經營單位應當制定本單位的應急預案演練計劃,根據本單位的事故風險特點,參照《生產安全事故應急演練基本規范》(AQ/T9007-2019)每年至少組織一次綜合應急預案演練或者專項應急預案演練,每半年至少組織一次現場處置方案演練。
第十三條應急預案演練結束后,應急預案演練組織單位參照《生產安全事故應急演練評估規范》(AQ/T9009-2015)對應急預案演練效果進行評估,撰寫應急預案演練評估報告,分析存在的問題,并對應急預案提出修訂意見。
第十四條生產經營單位應當建立應急預案定期評估制度,對預案內容的針對性和實用性進行分析,并對應急預案是否需要修訂作出結論。參照《生產經營單位生產安全事故應急預案評估指南》(AQ/T9011-2019)每三年至少進行一次應急預案評估。
第十八條生產經營單位未按照規定制定應急預案或者未定期組織演練的,依據《安全生產法》責令限期改正,可以處五萬元以下的罰款;逾期未改正的,責令停產停業整頓,并處五萬元以上十萬元以下的罰款,對其直接負責的主管人員和其他直接責任人員處一萬元以上二萬元以下的罰款。
第十九條生產經營單位未將應急預案報送備案的,依據《生產安全事故應急條例》責令限期改正;逾期未改正的,處3萬元以上5萬元以下的罰款,對直接負責的主管人員和其他直接責任人員處1萬元以上2萬元以下的罰款。










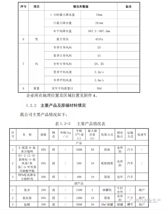
附件:最新版企業生產安全事故應急預案
依據《生產經營單位安全生產事故應急預案編制導則》GBT26639-2013,《生產安全事故應急預案管理辦法》(應急管理部2號令)編制



































